Supistus hitsattava 280/180 PN10 SDR17

Ruiskuvalettu supistusyhde soveltuu pusku- ja sähkömuhvihitsaamiseen painevesi- ja kaasuputkistoille. Muoviset hitsattavat yhteet kestävät kulutusta ja korroosiota, eikä niistä liukene haitta- tai makuaineita veteen, johdettavaan nesteeseen tai maaperään. Valmistetaan Polyeteenistä PE100 raaka-aineesta.

  • Tuotenumero: 70003646
  • LVI-numero: 1831154

LVI-numero 1831154
Tuotenumero 70003646
Tuotenimi Supistus sähkömuhvihitsattava

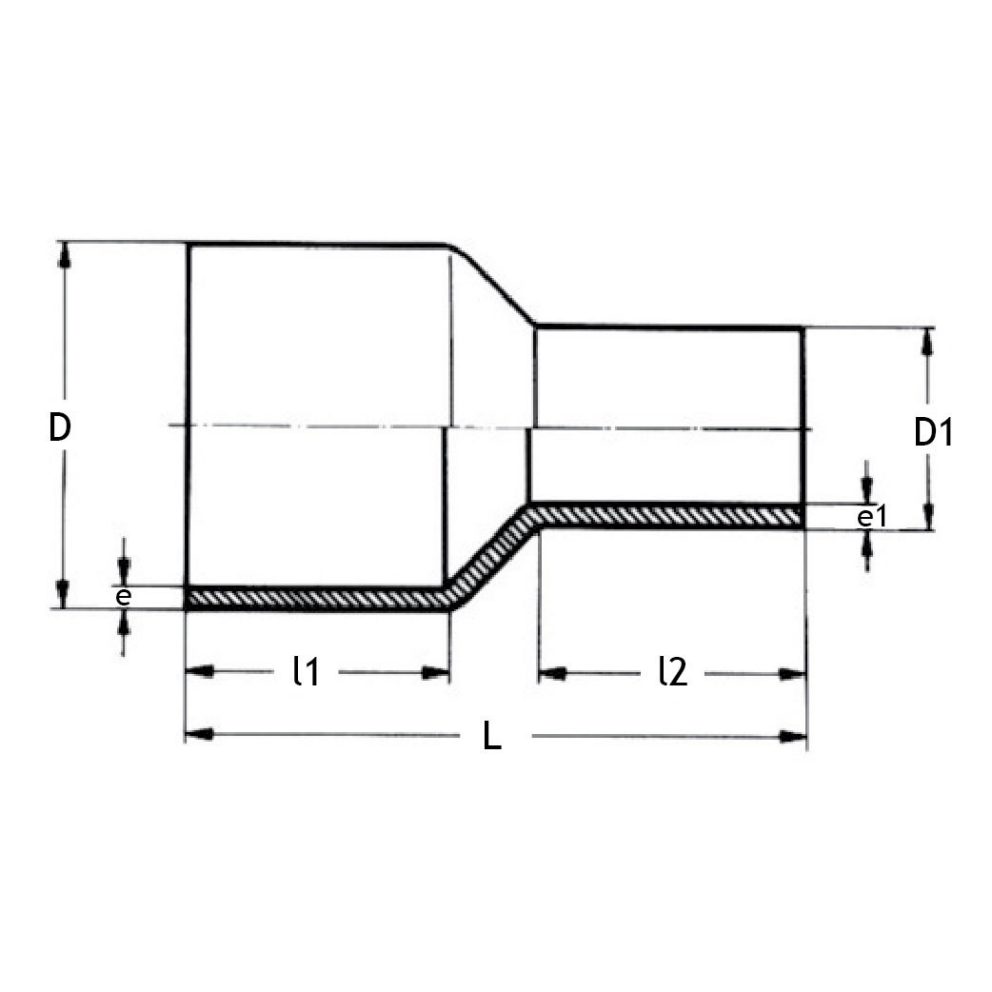
dn 280 mm
dn1 180 mm
Z 357 mm
h 150 mm
L 120 mm

GTIN-numero 9010459106070
Tullinimike 3917400099
Yksikkö Kpl
Kpl / Lava/nippu 24 kpl

Materiaali liitäntä 1 PE
Materiaali liitäntä 2 PE
Putkiosan pääväri musta
Supistus Kyllä
Putken ulkohalkaisija liitäntä 1 280 mm
Liitäntä 1 Putkenpääty

Kierrätettävyys Kierrätettävissä

Ota yhteyttä

Contact images FI

Jani Ståhlberg

Avainasiakaspäällikkö, Pohjois-Suomi

+358 40 842 9997

Contact images FI

Erkki Sonninen

Avainasiakaspäällikkö, Itä-Suomi

+358 40 532 1606

Contact images FI

Jaani Rantala

Avainasiakaspäällikkö, Etelä-Suomi

+358 40 580 1127

Contact image FI

Tommi Petäjä

Avainasiakaspäällikkö, Länsi-Suomi

+358 45 161 7211

Contact image FI

Jesse Järvinen

Avainasiakaspäällikkö, pumppaamot ja säiliöratkaisut

+358 40 562 6560

Contact image FI

Jaakko Kiiskilä

Avainasiakaspäällikkö, pumppaamot ja säiliöratkaisut

+358 40 719 1100

Contact image FI

Onni Töyrylä

Avainasiakaspäällikkö, pumppaamot ja säiliöratkaisut

+358 40 837 8595

Contact image FI/TK

Simo Suhonen

Tuotepäällikkö, Infra XL

+358 40 688 6614

Contact images FI

Markku Kytäjä

Myyntipäällikkö, Infra, varastokauppa

+358 40 578 3556

Contact images FI

Mika Ervasti

Myyntipäällikkö, teollisuus

+358 40 845 3206

Contact image FI

Kalle Vuorela

Liiketoimintajohtaja, Infra ja teollisuus

+358 45 161 6223

Lataukset

Tutustu Pipelifen materiaaleihin. Jos et löydä etsimääsi, ota yhteyttä asiakaspalveluumme.

Usein kysyttyä

Olemme koonneet vastaukset usein kysytyille kysymyksille.

Ota yhteyttä

Ota yhteyttä asiakaspalveluumme p. +358 30 600 2200 tai jätä yhteydenottopyyntö.

Yhteydenottopyyntö Pipelifelle
Otamme sinuun yhteyttä