T-haara hitsattava 180/160 PN10 SDR17

Ruiskuvalettu t-haara soveltuu pusku- ja sähkömuhvihitsaamiseen painevesi- ja kaasuputkistoille. Muoviset hitsattavat yhteet kestävät kulutusta ja korroosiota, eikä niistä liukene haitta- tai makuaineita veteen, johdettavaan nesteeseen tai maaperään. Valmistetaan Polyeteenistä PE100 raaka-aineesta. Yhteen paineluokka PN 10.

LVI-numero 1831265
Tuotenumero 70003780
Tuotenimi Haara sähkömuhvihitsattava

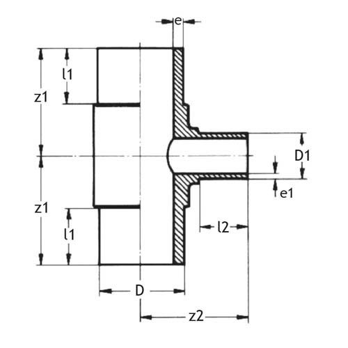
dn1 160 mm
Z 230 mm
a 232 mm
Z 486 mm
h 116 mm
L 112 mm
Z1 180 mm

GTIN-numero 9010459104748
Tullinimike 3917400099
Tuotteen mitat (P x L x K) 486 mm x 180 mm x 451 mm
Yksikkö Kpl
Pakkaustyyppi 1 Laatikko
Kpl / Pakkaus 1 1 kpl
Pakkauksen mitat (P x L x K) 1000 mm x 1200 mm x 1100 mm
Kpl / Lava/nippu 12 kpl

Malli / Tyyppi T-kappale
Putken ulkohalkaisija liitäntä 1 180 mm
Putken ulkohalkaisija liitäntä 2 160 mm

Kierrätettävyys Kierrätettävissä

Ota yhteyttä

Contact images FI

Jani Ståhlberg

Avainasiakaspäällikkö, Pohjois-Suomi

+358 40 842 9997

Contact images FI

Erkki Sonninen

Avainasiakaspäällikkö, Itä-Suomi

+358 40 532 1606

Contact images FI

Jaani Rantala

Avainasiakaspäällikkö, Etelä-Suomi

+358 40 580 1127

Contact image FI

Tommi Petäjä

Avainasiakaspäällikkö, Länsi-Suomi

+358 45 161 7211

Contact image FI

Jesse Järvinen

Avainasiakaspäällikkö, pumppaamot ja säiliöratkaisut

+358 40 562 6560

Contact image FI

Jaakko Kiiskilä

Avainasiakaspäällikkö, pumppaamot ja säiliöratkaisut

+358 40 719 1100

Contact image FI

Onni Töyrylä

Avainasiakaspäällikkö, pumppaamot ja säiliöratkaisut

+358 40 837 8595

Contact image FI/TK

Simo Suhonen

Tuotepäällikkö, Infra XL

+358 40 688 6614

Contact images FI

Markku Kytäjä

Myyntipäällikkö, Infra, varastokauppa

+358 40 578 3556

Contact images FI

Mika Ervasti

Myyntipäällikkö, teollisuus

+358 40 845 3206

Contact image FI

Kalle Vuorela

Liiketoimintajohtaja, Infra ja teollisuus

+358 45 161 6223

Lataukset

Tutustu Pipelifen materiaaleihin. Jos et löydä etsimääsi, ota yhteyttä asiakaspalveluumme.

Usein kysyttyä

Olemme koonneet vastaukset usein kysytyille kysymyksille.

Ota yhteyttä

Ota yhteyttä asiakaspalveluumme p. +358 30 600 2200 tai jätä yhteydenottopyyntö.

Yhteydenottopyyntö Pipelifelle
Otamme sinuun yhteyttä