Sähköhitsausmuhvi t-haara 32/32 SDR11

Pipelifen sähköhitsausosilla varmistat laadukkaat putkiliitokset. Pipelifen sähköhitsausosat on valmistettu PE100RC ja PE100 materiaaleista. Pipelife sähköhitsaus osilla on Nordic Polymark hyväksyntä, sekä FM hyväksyntä. Sähköhitsausosat valmistetaan standardien EN 1555, EN 12201 ja EN ISO 15494 mukaisesti ja ne soveltuvat käytettäväksi PE-paineputkistoissa niin kaasulle, juomavedelle kuin jätevedelle, sekä useille prosessivesille. PE-materiaali on kemikaali resistanssi ja korroosio vapaa. Pipelifen sähköhitsausosat valmistetaan ja valmistusta valvotaan ISO 9001 ja ISO 14001 standardien mukaisesti koko tuotantoprosessin ajan. Pipelifen sähköhitsauskoneille on kalibrointi ja huoltopalvelut Suomessa.

LVI-numero 1836306
Tuotenumero 70021935
Tuotenimi T-yhde sähköhitsattava

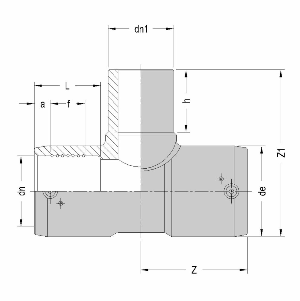
de 44 mm
dn 32 mm
dn1 32 mm
Z 64 mm
f 28 mm
Z 128 mm
h 48 mm
L 44 mm
a 10 mm
Z1 94 mm

GTIN-numero 9010459444318
Tullinimike 3917400099
Tuotteen mitat (P x L x K) 128 mm x 94 mm x 94 mm
Yksikkö Kpl
Pakkaustyyppi 1 Laatikko
Pakkauksen mitat (P x L x K) 296 mm x 246 mm x 150 mm
Kpl / Pakkaus 1 18 kpl
Pakkauksen mitat (P x L x K) 1000 mm x 1200 mm x 1100 mm
Kpl / Lava/nippu 96 kpl

Materiaali liitäntä 1 PE
Materiaalin laatu liitäntä 1 PE-100
Pintakäsittelyliitäntä 1 käsittelemätön
Materiaali liitäntä 2 PE
Materiaalin laatu liitäntä 2 PE-100
Pintakäsittelyliitäntä 2 käsittelemätön
Materiaali liitäntä 3 PE
Materiaalin laatu liitäntä 3 PE-100
Pintakäsittely liitos 3 käsittelemätön
Putkiosan pääväri musta
Malli / Tyyppi T-kappale
Kulma 90 °
Putken ulkohalkaisija liitäntä 1 32 mm
Liitäntä 1 sähköhitsausholkki
Putken ulkohalkaisija liitäntä 2 32 mm
Liitäntä 2 sähköhitsausholkki
Liitäntä 3 Putkenpääty
Maksimikäyttöpaine, 20 °C 16 Bar
Tiivisteillä Ei

EPD-ympäristöseloste Kyllä
GWP-standardi EN15804:2012 + A2:2019
Kolmannen osapuolen verifiointi Marcel Gomez, The International EPD® System
Tuotevaiheen (A1-A3) GWP-arvo 4,21 kg CO2 equ/kg
Kierrätettävyys Kierrätettävissä

Ota yhteyttä

Contact images FI

Jani Ståhlberg

Avainasiakaspäällikkö, Pohjois-Suomi

+358 40 842 9997

Contact images FI

Erkki Sonninen

Avainasiakaspäällikkö, Itä-Suomi

+358 40 532 1606

Contact images FI

Jaani Rantala

Avainasiakaspäällikkö, Etelä-Suomi

+358 40 580 1127

Contact image FI

Tommi Petäjä

Avainasiakaspäällikkö, Länsi-Suomi

+358 45 161 7211

Contact image FI

Jesse Järvinen

Avainasiakaspäällikkö, pumppaamot ja säiliöratkaisut

+358 40 562 6560

Contact image FI

Jaakko Kiiskilä

Avainasiakaspäällikkö, pumppaamot ja säiliöratkaisut

+358 40 719 1100

Contact image FI

Onni Töyrylä

Avainasiakaspäällikkö, pumppaamot ja säiliöratkaisut

+358 40 837 8595

Contact image FI/TK

Simo Suhonen

Tuotepäällikkö, Infra XL

+358 40 688 6614

Contact images FI

Markku Kytäjä

Myyntipäällikkö, Infra, varastokauppa

+358 40 578 3556

Contact images FI

Mika Ervasti

Myyntipäällikkö, teollisuus

+358 40 845 3206

Contact image FI

Kalle Vuorela

Liiketoimintajohtaja, Infra ja teollisuus

+358 45 161 6223

Lataukset

Tutustu Pipelifen materiaaleihin. Jos et löydä etsimääsi, ota yhteyttä asiakaspalveluumme.

Usein kysyttyä

Olemme koonneet vastaukset usein kysytyille kysymyksille.

Ota yhteyttä

Ota yhteyttä asiakaspalveluumme p. +358 30 600 2200 tai jätä yhteydenottopyyntö.

Yhteydenottopyyntö Pipelifelle
Otamme sinuun yhteyttä